Вал ОВИ 04.602
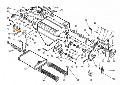
Вал контрпривода ОВИ 59.601 передаёт крутящий момент от электродвигателя через ременную передачу к эксцентриковому механизму привода решётных станов очистителя вороха ОВС-25. Обеспечивает синхронную работу двух сепарирующих узлов и стабильную частоту колебаний решёт
Рукоятка ОВБ 51-3-6
