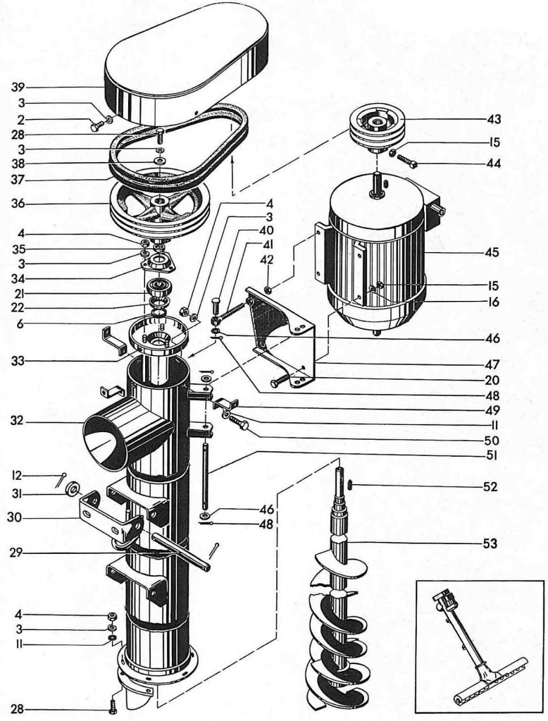
| 1 | ПС-10А.43.020 | Шнек |
| 7 | ПС-10А.43.404 | Крышка |
| 9 | ПС-10А.43.001 | Накладка |
| 10 | ПС-10А.43.403 | Воротник |
| 18 | ПС-10.03.402 | Кронштейн |
| 23 | ПС-10А.15.442-01 | Полукорпус подшипника |
| 24 | ПС-10А.43.050 | Корпус |
| 25 | ПС-10А.43.432 | Козырек |
| 26 | ПС-10А.43.020-01 | Шнек |
| 43 | ПС-10А.43.002 | Шкив |
| 53 | ПС-10А.43.030 | Шнек |
| 32 | ПС-10А.43.040 | Корпус |
| 33 | ПС-10А.15.200 | Крышка |
| 34 | ПС-10А.43.433 | Полукорпус подшипника |
| 36 | ПС-10А.43.100 | Шкив |
| 39 | ПС-10А.43.010 | Кожух |
