На складе компании "Агромаш" всегда в наличии полный ассортимент запчастей для протравителей семян сельскохозяйственных культур ПС-10: зерновых, бобовых, технических зерновых.
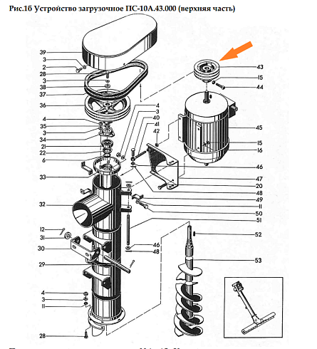
В компании "Агромаш" в наличии Шкив ПС-10А.43.002 (чуг.) 2-руч; dв = 28мм; Dш = 135мм; В(Б). Приобретая запасные засти для протравителей в компании "Агромаш" в Воронеже, вы можете быть уверены в высоком качестве комплектующих, надежном сервисе, выгодных условиях сотрудничества. Действует доставка в регионы.
Чтобы сделать заказ, используйте стандартную форму заявки внизу страницы, отправьте письмо на электронную почту agromash36@yandex.ru
В компании "Агромаш" в наличии Шкив ПС-10А.43.002 (чуг.) 2-руч; dв = 28мм; Dш = 135мм; В(Б). Приобретая запасные засти для протравителей в компании "Агромаш" в Воронеже, вы можете быть уверены в высоком качестве комплектующих, надежном сервисе, выгодных условиях сотрудничества. Действует доставка в регионы.
Чтобы сделать заказ, используйте стандартную форму заявки внизу страницы, отправьте письмо на электронную почту agromash36@yandex.ru
